【产品用途:】
【产品特点】
1、金属硬密封蝶阀采用三偏心密封结构,阀座与蝶板几乎无磨损,具有越观越紧的密封功能
2、密封圈选用不锈钢制作,具有金属硬密封和弹性密封的双重优点,无论在低温和高温的情况下,均具有优良的密封性能,具有耐腐蚀,使用寿命长等特点
3、蝶板密封面采用堆焊钴基硬质合金,密封面耐磨损,使用寿命长
4、大规格蝶板采用绗架结构,强度高,过流面积大,流阻小
5、金属硬密封蝶阀具有双向密封功能,安装时不受介质流向的限制,也不受空间位置的影响,可在任何方向安装
6、驱动装置可以多工位(旋转90°或180°)安装,便于用户使用

【执行标准】
设计规范:GB/T 12238
结构长度:GB/T 12221
法兰连接:GB/T 9113
试验与检验:GB/T 13927
产品标识:GB/T 12220
【性能参数】
|
型号 |
D343H-10 |
D343H-10P |
D343H-10R |
|
|
D343H-16 |
D343H-16P |
D343H-16R |
||
|
D343H-25 |
D343H-25P |
D343H-25R |
||
|
D343H-40 |
D343H-40P |
D343H-40R |
||
|
工作压力(MPa) |
1.0~4.0 |
|||
|
适用温度(℃) |
≤425 |
≤200 |
||
|
适用介质 |
水、油或非腐蚀性介质 |
硝酸类介质 |
醋酸类介质 |
|
|
材料 |
阀体、蝶板 |
WCB |
CF8/304 |
CF3M/316L |
|
阀杆 |
2Cr13 |
304 |
316L |
|
|
阀体密封面 |
堆焊 507 |
- |
- |
|
|
蝶板密封面 |
304+柔性石墨 |
304+PTFE |
304+PTFE |
|
|
填料 |
柔性石墨 |
PTFE |
PTFE |
|
【使用介质和温度】
|
产品类型 |
适用介质 |
适用温度(℃) |
|
碳钢型(C) |
水、蒸汽、油、空气 |
≤300 |
|
合金钢型(I) |
蒸汽、油品 |
≤650 |
|
不锈钢高温型(P II) |
蒸汽、油品、酸类、海水 |
≤900 |
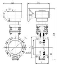
【主要外形连接尺寸】 单位:mm
|
公称通径DN |
结构长度L |
外形尺寸(参考值) |
连接(标准值) |
参考 |
||||||||||
|
H |
Dt343H |
PN0.6MPa |
PN1.0MPa |
重量Dt343H |
||||||||||
|
mm |
inch |
短 |
长 |
H1 |
A1 |
B1 |
D |
D1 |
z- d |
D |
D1 |
z- d |
|
|
|
50 |
2 |
108 |
150 |
112 |
350 |
180 |
200 |
140 |
110 |
4-14 |
165 |
125 |
4-18 |
17 |
|
65 |
5/2 |
112 |
170 |
115 |
370 |
180 |
200 |
160 |
130 |
4-14 |
185 |
145 |
4-18 |
20 |
|
80 |
3 |
114 |
180 |
120 |
380 |
180 |
200 |
190 |
150 |
4-18 |
200 |
160 |
8-18 |
23 |
|
100 |
4 |
127 |
190 |
138 |
420 |
180 |
200 |
210 |
170 |
4-18 |
220 |
180 |
8-18 |
25 |
|
125 |
5 |
140 |
200 |
164 |
460 |
180 |
200 |
240 |
200 |
8-18 |
250 |
210 |
8-18 |
40 |
|
150 |
6 |
140 |
210 |
175 |
555 |
270 |
280 |
165 |
225 |
8-18 |
285 |
240 |
8-22 |
47 |
|
200 |
8 |
152 |
230 |
208 |
605 |
270 |
280 |
320 |
280 |
8-18 |
340 |
295 |
8-22 |
60 |
|
250 |
10 |
165 |
250 |
243 |
680 |
270 |
280 |
375 |
335 |
12-18 |
395 |
350 |
12-22 |
95 |
|
300 |
12 |
178 |
270 |
283 |
800 |
380 |
420 |
440 |
395 |
12-22 |
445 |
400 |
12-22 |
124 |
|
350 |
14 |
190 |
290 |
310 |
835 |
380 |
420 |
490 |
445 |
12-22 |
505 |
460 |
16-22 |
181 |
|
400 |
16 |
216 |
310 |
340 |
915 |
450 |
470 |
540 |
495 |
16-22 |
565 |
515 |
16-26 |
260 |
|
450 |
18 |
222 |
330 |
380 |
960 |
480 |
490 |
595 |
550 |
16-22 |
615 |
565 |
20-26 |
338 |
|
500 |
20 |
229 |
350 |
410 |
1020 |
480 |
490 |
645 |
600 |
20-22 |
670 |
620 |
20-26 |
360 |
|
600 |
24 |
267 |
390 |
470 |
1225 |
480 |
660 |
755 |
705 |
20-26 |
780 |
725 |
20-30 |
540 |
|
700 |
28 |
292 |
430 |
550 |
1355 |
640 |
660 |
860 |
810 |
24-26 |
895 |
840 |
24-30 |
580 |
|
800 |
32 |
318 |
470 |
640 |
1470 |
640 |
660 |
975 |
920 |
24-30 |
1015 |
950 |
24-33 |
845 |
|
900 |
36 |
330 |
510 |
710 |
1545 |
750 |
860 |
1075 |
1020 |
24-30 |
1115 |
1050 |
28-33 |
1050 |
|
1000 |
40 |
410 |
550 |
770 |
1795 |
850 |
860 |
1175 |
1120 |
28-30 |
1230 |
1160 |
28-36 |
1500 |
|
1200 |
48 |
470 |
630 |
890 |
1965 |
850 |
900 |
1405 |
1340 |
32-33 |
1455 |
1380 |
32-39 |
2000 |